Капитальник
Производство кровельных материалов и профнастила
Каталог
Металлочерепица
Супермонтеррей
Каскад
Геркулес 25
Геркулес 30
Доборные изделия для кровли
Снегозадержатель простой
Снегозадержатель трубчатый
Конёк круглый
Заглушка конька
Тройник Y конька
Конёк простой
Конёк фигурный
Планка торцевая
Угол наружный
Угол внутренний
Планка ендовы
Планка карнизная
Планка примыкания
Снегозадержатели
Кровельное ограждение
Волновой металлический профиль
Феникс
Пегас
Орион 25
Орион 30
Профнастил
Профнастил С 8
Профнастил НС 16
Профнастил К20
Профнастил С20
Профнастил С21
Профнастил НС35
Профнастил Н60
Профнастил Н75
С полимерным покрытием
Профнастил С8
Профнастил С10
Профнастил НС16
Профнастил С20
Профнастил К20
Профнастил С21
Профнастил НС35
Профнастил Н60
Профнастил Н75
Оцинкованный
Профнастил С8
Профнастил С10
Профнастил НС16
Профнастил С20
Профнастил С21
Профнастил НС35
Профнастил НС44
Профнастил Н60
Профнастил Н75
Металлический штакетник
Европланка Престиж
Европланка
110 мм
126 мм
Евротрапеция
110 мм
117 мм
М-образный Престиж
Металлический сайдинг
Корабельная доска
Grand Line
Евробрус
Под дерево
Блок хаус
Под дерево
Л-брус
Софит Л-брус
Доборные элементы для сайдинга
Планка завершающая
Планка начальная
Планка стыковочная
Планка угла внутреннего
Планка угла наружного
Лайн Про
Плоскость
Полоса
Гофр
Изгиб
Эко-мебель
Ламели и террасные доски
Скамейки и диваны
Лежаки и шезлонги
Кашпо и вазоны
Грядки и песочницы
Плоский лист
С полимерным покрытием
Глянцевый
Матовый
Стальной бархат
Принтеч
Pur Pruf
Картэн
Оцинкованный
Фальцевая кровля
АЗКиФ
Двойной стоячий фальц
Доборные изделия для фальца
GrandLine
Двойной стоячий фальц
Двойной стоячий фальц Line
Кликфальц Pro
Кликфальц Pro Gofr
Кликфальц
Кликфальц Line
Кликфальц Mini
Кликфальц Pro Line
Жалюзийный забор
Ламель Юкка
Ламель Хоста
Ламель Олива
Доборные элементы для забора-жалюзи
Декоративная накладка
Декоративная накладка угловая
Крепежная планка
Крышка
Планка завершающая
Стойка
Ондулин
Ондулин Smart
Добороные элементы для ондулина
Черепица Ондулин
Водосточные системы
Пластиковые водосточные системы
Docke
Bryza
Металлические водосточные системы
Nika
Optima
Мягкая черепица
Комплектующие к гибкой черепице
Коньково-карнизная черепица
Подкладочный ковер
Гвозди
Мастика
Ендовый ковер
Ламинированная черепица
серия Dragon Lux
Ламинированная черепица серии Dragon Premium
серия Dragon Europa
серия Dragon Standart
Однослойная черепица
серия Premium
серия Eurasia
Сэндвич панели
Комплектующие к сэндвич панелям
Стеновые
Ширина 1190 мм
Ширина 1000 мм
Кровельные
Минеральная вата
Экструдированный пенополистирол
Пенополистирол (псбс-25)
Пенополиизоцианурат (пир)
Линеарные металлические панели
Закрытого типа
Полимерное покрытие
Порошковое покрытие
Оцинкованный
Открытого типа
Полимерное покрытие
Порошковое покрытие
Оцинкованный
Комплектующие
Шляпный профиль
Сопутствующие товары
Доборные изделия для кровли
Арматура
Профилированная труба
Уголок
Гидро-пароизоляционные материалы
SPANIZOL
Изоспан
Ондутис
Grand Line
Ondutiss
Тепло-звукоизоляционные материалы
ИЗОВЕР
URSA
Изорок
Технониколь
Пеноплекс
ROCKWOOL
ISOVER
ISOROC
ПЕНОПЛЭКС
Элементы подконструкции
Профиль Г-образный
Крепёжный кронштейн
Плита OSB-3
Уплотнитель
Пены, герметики, ленты
Эмаль по металлу
Сетка рабица
Проволока
Заглушки на профилированную трубу
Крепеж
С прокладкой (Кровельные)
Заборный
С прессшайбой
Для крюков водосточной системы
Заклёпка
Кляммер
Профили под гипсокартон
Вентиляция
Gervent
Чердачные лестницы
Гибкая черепица
Docke PIE PREMIUM ГЕНУЯ
Docke PIE PREMIUM ЖЕНЕВА
Docke PIE PREMIUM ЦЮРИХ
Docke PIE PREMIUM DRAGON
Комплектующие к гибкой черепице
Сэндвич панели
Стеновые
Кровельные
Комплектующие к сэндвич панелям
Фасадные кассеты и линеарные панели
Закрытого типа
Открытого типа
Комплектующие к фасадным кассетам и линеарным панелям
Водосточные системы
Пластиковые водосточные системы
Металлические водосточные системы
Профильная труба
Заглушки на профильную трубу
Колпак полимеркомпозитный ZKING
Услуги
Сервисные службы
Расчёт кровли, фасада и забора (бесплатный сервис)
Калькулятор кровли
Как купить
Условия оплаты
Условия доставки
Гарантия на товар
Компания
О компании
Акции
Новости
Контакты
Статьи
Сертификаты
Инструкции
Контакты
+7 (844) 226-52-91
+7 (844) 226-52-91шоссе Авиаторов, 3
+7 (844) 226-52-97ул 25 лет Октября 9А
Заказать звонок
Задать вопрос
Войти
  • Корзина0
  • Отложенные0
Ваш город
Волгоград
Астрахань
Москва
Батайск
Волжский
Воронеж
Волгоград
sale@kapitalnik.ru
г. Волгоград, шоссе Авиаторов, 3
Адрес 2
г. Волгоград, ул 25 лет Октября, 9А
  • Telegram
  • WhatsApp
Ваш город
Волгоград
Астрахань
Москва
Батайск
Волжский
Воронеж
Волгоград
шоссе Авиаторов, 3
  • О компании
  • Акции
  • Оплата
  • Доставка
  • Гарантия
  • Новости
  • Статьи
  • Политиĸа ĸонфиденциальности
  • ...
    +7 (844) 226-52-91
    +7 (844) 226-52-91шоссе Авиаторов, 3
    +7 (844) 226-52-97ул 25 лет Октября 9А
    Заказать звонок
    Капитальник
    • Telegram
    • WhatsApp
    Каталог
    Расчет кровли
    Кровля забор фасад
    • Металлочерепица
      Металлочерепица
      • Супермонтеррей
      • Каскад
      • Геркулес 25
      • Геркулес 30
      • Доборные изделия для кровли
        • Снегозадержатель простой
        • Снегозадержатель трубчатый
        • Конёк круглый
        • Заглушка конька
        • Тройник Y конька
        • Конёк простой
        • Конёк фигурный
        • Планка торцевая
        • Угол наружный
        • Угол внутренний
        • Планка ендовы
        • Планка карнизная
        • Планка примыкания
        • Снегозадержатели
        • Кровельное ограждение
    • Волновой металлический профиль
      Волновой металлический профиль
      • Феникс
      • Пегас
      • Орион 25
      • Орион 30
    • Профнастил
      Профнастил
      • Профнастил С 8
      • Профнастил НС 16
      • Профнастил К20
      • Профнастил С20
      • Профнастил С21
      • Профнастил НС35
      • Профнастил Н60
      • Профнастил Н75
      • С полимерным покрытием
        • Профнастил С8
        • Профнастил С10
        • Профнастил НС16
        • Профнастил С20
        • Профнастил К20
        • Профнастил С21
        • Профнастил НС35
        • Профнастил Н60
        • Профнастил Н75
      • Оцинкованный
        • Профнастил С8
        • Профнастил С10
        • Профнастил НС16
        • Профнастил С20
        • Профнастил С21
        • Профнастил НС35
        • Профнастил НС44
        • Профнастил Н60
        • Профнастил Н75
    • Металлический штакетник
      Металлический штакетник
      • Европланка Престиж
      • Европланка
        • 110 мм
        • 126 мм
      • Евротрапеция
        • 110 мм
        • 117 мм
      • М-образный Престиж
    • Металлический сайдинг
      Металлический сайдинг
      • Корабельная доска
        • Grand Line
      • Евробрус
        • Под дерево
      • Блок хаус
        • Под дерево
      • Л-брус
      • Софит Л-брус
      • Доборные элементы для сайдинга
        • Планка завершающая
        • Планка начальная
        • Планка стыковочная
        • Планка угла внутреннего
        • Планка угла наружного
      • Лайн Про
        • Плоскость
        • Полоса
        • Гофр
        • Изгиб
    • Эко-мебель
      Эко-мебель
      • Ламели и террасные доски
      • Скамейки и диваны
      • Лежаки и шезлонги
      • Кашпо и вазоны
      • Грядки и песочницы
    • Плоский лист
      Плоский лист
      • С полимерным покрытием
        • Глянцевый
        • Матовый
        • Стальной бархат
        • Принтеч
        • Pur Pruf
        • Картэн
      • Оцинкованный
    • Фальцевая кровля
      Фальцевая кровля
      • АЗКиФ
        • Двойной стоячий фальц
        • Доборные изделия для фальца
      • GrandLine
        • Двойной стоячий фальц
        • Двойной стоячий фальц Line
        • Кликфальц Pro
        • Кликфальц Pro Gofr
        • Кликфальц
        • Кликфальц Line
        • Кликфальц Mini
        • Кликфальц Pro Line
    • Жалюзийный забор
      Жалюзийный забор
      • Ламель Юкка
      • Ламель Хоста
      • Ламель Олива
      • Доборные элементы для забора-жалюзи
        • Декоративная накладка
        • Декоративная накладка угловая
        • Крепежная планка
        • Крышка
        • Планка завершающая
        • Стойка
    • Ондулин
      Ондулин
      • Ондулин Smart
      • Добороные элементы для ондулина
      • Черепица Ондулин
    • Водосточные системы
      Водосточные системы
      • Пластиковые водосточные системы
        • Docke
        • Bryza
      • Металлические водосточные системы
        • Nika
        • Optima
    • Мягкая черепица
      • Комплектующие к гибкой черепице
        • Коньково-карнизная черепица
        • Подкладочный ковер
        • Гвозди
        • Мастика
        • Ендовый ковер
      • Ламинированная черепица
        • серия Dragon Lux
        • Ламинированная черепица серии Dragon Premium
        • серия Dragon Europa
        • серия Dragon Standart
      • Однослойная черепица
        • серия Premium
        • серия Eurasia
    • Сэндвич панели
      • Комплектующие к сэндвич панелям
      • Стеновые
        • Ширина 1190 мм
        • Ширина 1000 мм
      • Кровельные
        • Минеральная вата
        • Экструдированный пенополистирол
        • Пенополистирол (псбс-25)
        • Пенополиизоцианурат (пир)
    • Линеарные металлические панели
      Линеарные металлические панели
      • Закрытого типа
        • Полимерное покрытие
        • Порошковое покрытие
        • Оцинкованный
      • Открытого типа
        • Полимерное покрытие
        • Порошковое покрытие
        • Оцинкованный
      • Комплектующие
        • Шляпный профиль
    • Сопутствующие товары
      Сопутствующие товары
      • Доборные изделия для кровли
      • Арматура
      • Профилированная труба
      • Уголок
      • Гидро-пароизоляционные материалы
        • SPANIZOL
        • Изоспан
        • Ондутис
        • Grand Line
        • Ondutiss
      • Тепло-звукоизоляционные материалы
        • ИЗОВЕР
        • URSA
        • Изорок
        • Технониколь
        • Пеноплекс
        • ROCKWOOL
        • ISOVER
        • ISOROC
        • ПЕНОПЛЭКС
      • Элементы подконструкции
        • Профиль Г-образный
        • Крепёжный кронштейн
      • Плита OSB-3
      • Уплотнитель
      • Пены, герметики, ленты
      • Эмаль по металлу
      • Сетка рабица
      • Проволока
      • Заглушки на профилированную трубу
      • Крепеж
        • С прокладкой (Кровельные)
        • Заборный
        • С прессшайбой
        • Для крюков водосточной системы
        • Заклёпка
        • Кляммер
      • Профили под гипсокартон
      • Вентиляция
        • Gervent
      • Чердачные лестницы
      • Гибкая черепица
        • Docke PIE PREMIUM ГЕНУЯ
        • Docke PIE PREMIUM ЖЕНЕВА
        • Docke PIE PREMIUM ЦЮРИХ
        • Docke PIE PREMIUM DRAGON
        • Комплектующие к гибкой черепице
      • Сэндвич панели
        • Стеновые
        • Кровельные
        • Комплектующие к сэндвич панелям
      • Фасадные кассеты и линеарные панели
        • Закрытого типа
        • Открытого типа
        • Комплектующие к фасадным кассетам и линеарным панелям
      • Водосточные системы
        • Пластиковые водосточные системы
        • Металлические водосточные системы
      • Профильная труба
        • Заглушки на профильную трубу
      • Колпак полимеркомпозитный ZKING
    Кровля
    • Металлочерепица
      Металлочерепица
      • Дюна
      • Каскад
      • Супермонтеррей
      • Геркулес 25
      • Геркулес 30
      • Доборные изделия для кровли
        • Снегозадержатель простой
        • Снегозадержатель трубчатый
      • Доборные изделия для кровли
        • Снегозадержатель простой
        • Снегозадержатель трубчатый
    • Профлист
      Профлист
      • С 20
      • К 20
      • С 21
      • НС 35
      • Н 60
    • Элементы безопасности кровли
      • Кровельное ограждение
        • Для металлочерепицы
    • Волновой металлический профиль
    • Феникс
    • Пегас
    • Орион 25
    • Орион 30
    • Фальцевая кровля
    Фасад
    • Профлист
      Профлист
      • С 8
      • С 20
      • К 20
      • С 21
      • НС 35
      • Н 60
    • Металлосайдинг
      Металлосайдинг
      • Блок хаус
      • Евробрус
      • Корабельная доска
      • Л-Брус
      • Софит Л-Брус
      • Лайн Про
        • Изгиб
        • Плоскость
        • Полоса
        • Гофр
    • Фасадные панели
      Фасадные панели
      • Кирпич
      • Блок
      • Клинкер
      • Тычок
      • Ригель
      • Мозаика
      • Соты
    Забор
    • Профлист
      Профлист
      • С 8
      • С 20
      • К 20
      • С 21
      • НС 35
      • Н 60
    • Евроштакетник
      Евроштакетник
      • Европланка
      • Европланка Престиж
      • Евротрапеция
      • М-образный Престиж
    • Металлосайдинг
      Металлосайдинг
      • Блок хаус
      • Евробрус
      • Корабельная доска
      • Л-Брус
      • Софит Л-Брус
    • Жалюзийный забор
    • Доборные элементы для забора-жалюзи
    • Ламель Олива
    • Ламель Юкка
    Контакты
    Калькулятор кровли Калькулятор забора Калькулятор фасада
    +  ЕЩЕ
      Капитальник
      Каталог
      Расчет кровли
      Кровля забор фасад
      • Металлочерепица
        Металлочерепица
        • Супермонтеррей
        • Каскад
        • Геркулес 25
        • Геркулес 30
        • Доборные изделия для кровли
          • Снегозадержатель простой
          • Снегозадержатель трубчатый
          • Конёк круглый
          • Заглушка конька
          • Тройник Y конька
          • Конёк простой
          • Конёк фигурный
          • Планка торцевая
          • Угол наружный
          • Угол внутренний
          • Планка ендовы
          • Планка карнизная
          • Планка примыкания
          • Снегозадержатели
          • Кровельное ограждение
      • Волновой металлический профиль
        Волновой металлический профиль
        • Феникс
        • Пегас
        • Орион 25
        • Орион 30
      • Профнастил
        Профнастил
        • Профнастил С 8
        • Профнастил НС 16
        • Профнастил К20
        • Профнастил С20
        • Профнастил С21
        • Профнастил НС35
        • Профнастил Н60
        • Профнастил Н75
        • С полимерным покрытием
          • Профнастил С8
          • Профнастил С10
          • Профнастил НС16
          • Профнастил С20
          • Профнастил К20
          • Профнастил С21
          • Профнастил НС35
          • Профнастил Н60
          • Профнастил Н75
        • Оцинкованный
          • Профнастил С8
          • Профнастил С10
          • Профнастил НС16
          • Профнастил С20
          • Профнастил С21
          • Профнастил НС35
          • Профнастил НС44
          • Профнастил Н60
          • Профнастил Н75
      • Металлический штакетник
        Металлический штакетник
        • Европланка Престиж
        • Европланка
          • 110 мм
          • 126 мм
        • Евротрапеция
          • 110 мм
          • 117 мм
        • М-образный Престиж
      • Металлический сайдинг
        Металлический сайдинг
        • Корабельная доска
          • Grand Line
        • Евробрус
          • Под дерево
        • Блок хаус
          • Под дерево
        • Л-брус
        • Софит Л-брус
        • Доборные элементы для сайдинга
          • Планка завершающая
          • Планка начальная
          • Планка стыковочная
          • Планка угла внутреннего
          • Планка угла наружного
        • Лайн Про
          • Плоскость
          • Полоса
          • Гофр
          • Изгиб
      • Эко-мебель
        Эко-мебель
        • Ламели и террасные доски
        • Скамейки и диваны
        • Лежаки и шезлонги
        • Кашпо и вазоны
        • Грядки и песочницы
      • Плоский лист
        Плоский лист
        • С полимерным покрытием
          • Глянцевый
          • Матовый
          • Стальной бархат
          • Принтеч
          • Pur Pruf
          • Картэн
        • Оцинкованный
      • Фальцевая кровля
        Фальцевая кровля
        • АЗКиФ
          • Двойной стоячий фальц
          • Доборные изделия для фальца
        • GrandLine
          • Двойной стоячий фальц
          • Двойной стоячий фальц Line
          • Кликфальц Pro
          • Кликфальц Pro Gofr
          • Кликфальц
          • Кликфальц Line
          • Кликфальц Mini
          • Кликфальц Pro Line
      • Жалюзийный забор
        Жалюзийный забор
        • Ламель Юкка
        • Ламель Хоста
        • Ламель Олива
        • Доборные элементы для забора-жалюзи
          • Декоративная накладка
          • Декоративная накладка угловая
          • Крепежная планка
          • Крышка
          • Планка завершающая
          • Стойка
      • Ондулин
        Ондулин
        • Ондулин Smart
        • Добороные элементы для ондулина
        • Черепица Ондулин
      • Водосточные системы
        Водосточные системы
        • Пластиковые водосточные системы
          • Docke
          • Bryza
        • Металлические водосточные системы
          • Nika
          • Optima
      • Мягкая черепица
        • Комплектующие к гибкой черепице
          • Коньково-карнизная черепица
          • Подкладочный ковер
          • Гвозди
          • Мастика
          • Ендовый ковер
        • Ламинированная черепица
          • серия Dragon Lux
          • Ламинированная черепица серии Dragon Premium
          • серия Dragon Europa
          • серия Dragon Standart
        • Однослойная черепица
          • серия Premium
          • серия Eurasia
      • Сэндвич панели
        • Комплектующие к сэндвич панелям
        • Стеновые
          • Ширина 1190 мм
          • Ширина 1000 мм
        • Кровельные
          • Минеральная вата
          • Экструдированный пенополистирол
          • Пенополистирол (псбс-25)
          • Пенополиизоцианурат (пир)
      • Линеарные металлические панели
        Линеарные металлические панели
        • Закрытого типа
          • Полимерное покрытие
          • Порошковое покрытие
          • Оцинкованный
        • Открытого типа
          • Полимерное покрытие
          • Порошковое покрытие
          • Оцинкованный
        • Комплектующие
          • Шляпный профиль
      • Сопутствующие товары
        Сопутствующие товары
        • Доборные изделия для кровли
        • Арматура
        • Профилированная труба
        • Уголок
        • Гидро-пароизоляционные материалы
          • SPANIZOL
          • Изоспан
          • Ондутис
          • Grand Line
          • Ondutiss
        • Тепло-звукоизоляционные материалы
          • ИЗОВЕР
          • URSA
          • Изорок
          • Технониколь
          • Пеноплекс
          • ROCKWOOL
          • ISOVER
          • ISOROC
          • ПЕНОПЛЭКС
        • Элементы подконструкции
          • Профиль Г-образный
          • Крепёжный кронштейн
        • Плита OSB-3
        • Уплотнитель
        • Пены, герметики, ленты
        • Эмаль по металлу
        • Сетка рабица
        • Проволока
        • Заглушки на профилированную трубу
        • Крепеж
          • С прокладкой (Кровельные)
          • Заборный
          • С прессшайбой
          • Для крюков водосточной системы
          • Заклёпка
          • Кляммер
        • Профили под гипсокартон
        • Вентиляция
          • Gervent
        • Чердачные лестницы
        • Гибкая черепица
          • Docke PIE PREMIUM ГЕНУЯ
          • Docke PIE PREMIUM ЖЕНЕВА
          • Docke PIE PREMIUM ЦЮРИХ
          • Docke PIE PREMIUM DRAGON
          • Комплектующие к гибкой черепице
        • Сэндвич панели
          • Стеновые
          • Кровельные
          • Комплектующие к сэндвич панелям
        • Фасадные кассеты и линеарные панели
          • Закрытого типа
          • Открытого типа
          • Комплектующие к фасадным кассетам и линеарным панелям
        • Водосточные системы
          • Пластиковые водосточные системы
          • Металлические водосточные системы
        • Профильная труба
          • Заглушки на профильную трубу
        • Колпак полимеркомпозитный ZKING
        • +  ЕЩЕ 14
      Услуги
      • Сервисные службы
        • Расчёт кровли, фасада и забора (бесплатный сервис)
      • Калькулятор кровли
      Как купить
      • Условия оплаты
      • Условия доставки
      • Гарантия на товар
      Компания
      • О компании
      • Акции
      • Новости
      • Контакты
      • Статьи
      • Сертификаты
      • Инструкции
      Контакты
      +  ЕЩЕ
        • Акции
        • О компании
          • Новости
          • Статьи
          • Отзывы
          • Сертификаты
          • Инструкции
        • Услуги
          • Сервисные службы
          • Калькулятор кровли
          • Калькулятор забора
          • Калькулятор фасада
        • Как купить
          • Доставка
          • Оплата
          • Гарантия
        • Вопрос-ответ
        • Контакты
        Позвонить Заказать звонок
        Задать вопрос
        Капитальник
        Отложенные 0 Корзина 0
        Телефоны
        +7 (844) 226-52-91шоссе Авиаторов, 3
        +7 (844) 226-52-97ул 25 лет Октября 9А
        Заказать звонок
        • Каталог
          • Назад
          • Каталог
          • Металлочерепица
            • Назад
            • Металлочерепица
            • Супермонтеррей
            • Каскад
            • Геркулес 25
            • Геркулес 30
            • Доборные изделия для кровли
              • Назад
              • Доборные изделия для кровли
              • Снегозадержатель простой
              • Снегозадержатель трубчатый
              • Конёк круглый
              • Заглушка конька
              • Тройник Y конька
              • Конёк простой
              • Конёк фигурный
              • Планка торцевая
              • Угол наружный
              • Угол внутренний
              • Планка ендовы
              • Планка карнизная
              • Планка примыкания
              • Снегозадержатели
              • Кровельное ограждение
          • Волновой металлический профиль
            • Назад
            • Волновой металлический профиль
            • Феникс
            • Пегас
            • Орион 25
            • Орион 30
          • Профнастил
            • Назад
            • Профнастил
            • Профнастил С 8
            • Профнастил НС 16
            • Профнастил К20
            • Профнастил С20
            • Профнастил С21
            • Профнастил НС35
            • Профнастил Н60
            • Профнастил Н75
            • С полимерным покрытием
              • Назад
              • С полимерным покрытием
              • Профнастил С8
              • Профнастил С10
              • Профнастил НС16
              • Профнастил С20
              • Профнастил К20
              • Профнастил С21
              • Профнастил НС35
              • Профнастил Н60
              • Профнастил Н75
            • Оцинкованный
              • Назад
              • Оцинкованный
              • Профнастил С8
              • Профнастил С10
              • Профнастил НС16
              • Профнастил С20
              • Профнастил С21
              • Профнастил НС35
              • Профнастил НС44
              • Профнастил Н60
              • Профнастил Н75
          • Металлический штакетник
            • Назад
            • Металлический штакетник
            • Европланка Престиж
            • Европланка
              • Назад
              • Европланка
              • 110 мм
              • 126 мм
            • Евротрапеция
              • Назад
              • Евротрапеция
              • 110 мм
              • 117 мм
            • М-образный Престиж
          • Металлический сайдинг
            • Назад
            • Металлический сайдинг
            • Корабельная доска
              • Назад
              • Корабельная доска
              • Grand Line
            • Евробрус
              • Назад
              • Евробрус
              • Под дерево
            • Блок хаус
              • Назад
              • Блок хаус
              • Под дерево
            • Л-брус
            • Софит Л-брус
            • Доборные элементы для сайдинга
              • Назад
              • Доборные элементы для сайдинга
              • Планка завершающая
              • Планка начальная
              • Планка стыковочная
              • Планка угла внутреннего
              • Планка угла наружного
            • Лайн Про
              • Назад
              • Лайн Про
              • Плоскость
              • Полоса
              • Гофр
              • Изгиб
          • Эко-мебель
            • Назад
            • Эко-мебель
            • Ламели и террасные доски
            • Скамейки и диваны
            • Лежаки и шезлонги
            • Кашпо и вазоны
            • Грядки и песочницы
          • Плоский лист
            • Назад
            • Плоский лист
            • С полимерным покрытием
              • Назад
              • С полимерным покрытием
              • Глянцевый
              • Матовый
              • Стальной бархат
              • Принтеч
              • Pur Pruf
              • Картэн
            • Оцинкованный
          • Фальцевая кровля
            • Назад
            • Фальцевая кровля
            • АЗКиФ
              • Назад
              • АЗКиФ
              • Двойной стоячий фальц
              • Доборные изделия для фальца
            • GrandLine
              • Назад
              • GrandLine
              • Двойной стоячий фальц
              • Двойной стоячий фальц Line
              • Кликфальц Pro
              • Кликфальц Pro Gofr
              • Кликфальц
              • Кликфальц Line
              • Кликфальц Mini
              • Кликфальц Pro Line
          • Жалюзийный забор
            • Назад
            • Жалюзийный забор
            • Ламель Юкка
            • Ламель Хоста
            • Ламель Олива
            • Доборные элементы для забора-жалюзи
              • Назад
              • Доборные элементы для забора-жалюзи
              • Декоративная накладка
              • Декоративная накладка угловая
              • Крепежная планка
              • Крышка
              • Планка завершающая
              • Стойка
          • Ондулин
            • Назад
            • Ондулин
            • Ондулин Smart
            • Добороные элементы для ондулина
            • Черепица Ондулин
          • Водосточные системы
            • Назад
            • Водосточные системы
            • Пластиковые водосточные системы
              • Назад
              • Пластиковые водосточные системы
              • Docke
              • Bryza
            • Металлические водосточные системы
              • Назад
              • Металлические водосточные системы
              • Nika
              • Optima
          • Мягкая черепица
            • Назад
            • Мягкая черепица
            • Комплектующие к гибкой черепице
              • Назад
              • Комплектующие к гибкой черепице
              • Коньково-карнизная черепица
              • Подкладочный ковер
              • Гвозди
              • Мастика
              • Ендовый ковер
            • Ламинированная черепица
              • Назад
              • Ламинированная черепица
              • серия Dragon Lux
              • Ламинированная черепица серии Dragon Premium
              • серия Dragon Europa
              • серия Dragon Standart
            • Однослойная черепица
              • Назад
              • Однослойная черепица
              • серия Premium
              • серия Eurasia
          • Сэндвич панели
            • Назад
            • Сэндвич панели
            • Комплектующие к сэндвич панелям
            • Стеновые
              • Назад
              • Стеновые
              • Ширина 1190 мм
              • Ширина 1000 мм
            • Кровельные
              • Назад
              • Кровельные
              • Минеральная вата
              • Экструдированный пенополистирол
              • Пенополистирол (псбс-25)
              • Пенополиизоцианурат (пир)
          • Линеарные металлические панели
            • Назад
            • Линеарные металлические панели
            • Закрытого типа
              • Назад
              • Закрытого типа
              • Полимерное покрытие
              • Порошковое покрытие
              • Оцинкованный
            • Открытого типа
              • Назад
              • Открытого типа
              • Полимерное покрытие
              • Порошковое покрытие
              • Оцинкованный
            • Комплектующие
              • Назад
              • Комплектующие
              • Шляпный профиль
          • Сопутствующие товары
            • Назад
            • Сопутствующие товары
            • Доборные изделия для кровли
            • Арматура
            • Профилированная труба
            • Уголок
            • Гидро-пароизоляционные материалы
              • Назад
              • Гидро-пароизоляционные материалы
              • SPANIZOL
              • Изоспан
              • Ондутис
              • Grand Line
              • Ondutiss
            • Тепло-звукоизоляционные материалы
              • Назад
              • Тепло-звукоизоляционные материалы
              • ИЗОВЕР
              • URSA
              • Изорок
              • Технониколь
              • Пеноплекс
              • ROCKWOOL
              • ISOVER
              • ISOROC
              • ПЕНОПЛЭКС
            • Элементы подконструкции
              • Назад
              • Элементы подконструкции
              • Профиль Г-образный
              • Крепёжный кронштейн
            • Плита OSB-3
            • Уплотнитель
            • Пены, герметики, ленты
            • Эмаль по металлу
            • Сетка рабица
            • Проволока
            • Заглушки на профилированную трубу
            • Крепеж
              • Назад
              • Крепеж
              • С прокладкой (Кровельные)
              • Заборный
              • С прессшайбой
              • Для крюков водосточной системы
              • Заклёпка
              • Кляммер
            • Профили под гипсокартон
            • Вентиляция
              • Назад
              • Вентиляция
              • Gervent
            • Чердачные лестницы
            • Гибкая черепица
              • Назад
              • Гибкая черепица
              • Docke PIE PREMIUM ГЕНУЯ
              • Docke PIE PREMIUM ЖЕНЕВА
              • Docke PIE PREMIUM ЦЮРИХ
              • Docke PIE PREMIUM DRAGON
              • Комплектующие к гибкой черепице
            • Сэндвич панели
              • Назад
              • Сэндвич панели
              • Стеновые
              • Кровельные
              • Комплектующие к сэндвич панелям
            • Фасадные кассеты и линеарные панели
              • Назад
              • Фасадные кассеты и линеарные панели
              • Закрытого типа
              • Открытого типа
              • Комплектующие к фасадным кассетам и линеарным панелям
            • Водосточные системы
              • Назад
              • Водосточные системы
              • Пластиковые водосточные системы
              • Металлические водосточные системы
            • Профильная труба
              • Назад
              • Профильная труба
              • Заглушки на профильную трубу
            • Колпак полимеркомпозитный ZKING
        • Услуги
          • Назад
          • Услуги
          • Сервисные службы
            • Назад
            • Сервисные службы
            • Расчёт кровли, фасада и забора (бесплатный сервис)
          • Калькулятор кровли
        • Как купить
          • Назад
          • Как купить
          • Условия оплаты
          • Условия доставки
          • Гарантия на товар
        • Компания
          • Назад
          • Компания
          • О компании
          • Акции
          • Новости
          • Контакты
          • Статьи
          • Сертификаты
          • Инструкции
        • Контакты
        • Волгоград
          • Назад
        • Корзина0
        • Отложенные0
        • +7 (844) 226-52-91шоссе Авиаторов, 3
          • Назад
          • Телефоны
          • +7 (844) 226-52-91шоссе Авиаторов, 3
          • +7 (844) 226-52-97ул 25 лет Октября 9А
          • Заказать звонок
        Контактная информация
        г. Волгоград, шоссе Авиаторов, 3
        Адрес 2
        г. Волгоград, ул 25 лет Октября, 9А
        sale@kapitalnik.ru
        • Telegram
        • WhatsApp

        Доборные элементы кровли

        497
        Главная
        —
        Каталог
        —
        Сопутствующие товары
        МеталлочерепицаВолновой металлический профильПрофнастилМеталлический штакетникЛинеарные металлические панелиСэндвич панелиМягкая черепицаВодосточные системыОндулинЖалюзийный заборФальцевая кровляПлоский листЗаборФасадКровляЭко-мебельМеталлический сайдинг
        —
        Доборные элементы кровли
        ПроволокаКолпак полимеркомпозитный ZKINGПрофильная трубаВодосточные системыФасадные кассеты и линеарные панелиСэндвич панелиГибкая черепицаЧердачные лестницыВентиляцияПрофили под гипсокартонКрепежЗаглушки на профилированную трубуСетка рабицаЭмаль по металлуПены, герметики, лентыУплотнительПлита OSB-3Элементы подконструкцииТепло-звукоизоляционные материалыГидро-пароизоляционные материалыУголокПрофилированная трубаАрматура
        Фильтр
        По умолчанию (возрастание)
        По популярности (убывание)
        По популярности (возрастание)
        По алфавиту (убывание)
        По алфавиту (возрастание)
        По цене (убывание)
        По цене (возрастание)
        Фильтр
        Сортировка
        По популярности (возрастание)
        • По популярности (убывание)
        • По популярности (возрастание)
        • По алфавиту (убывание)
        • По алфавиту (возрастание)
        • По цене (убывание)
        • По цене (возрастание)
        Цена
        Цена
        165
        495
        825
        1 155
        1 485
        Толщина
        Тип покрытия
        Показать все
        Цвет по каталогу RAL
        Показать все
        Цвет
        Показать все
        Выбрано 0 Показать
        Выбрано 0 Показать
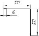
        Угол наружний 100x100x2000 мм, 9002 светло-серый глянцевый Угол наружний 100x100x2000 мм, 9002 светло-серый глянцевый
        Угол наружний 100x100x2000 мм, 9002 светло-серый глянцевый
        408 ₽/шт
        Варианты цен
        408 ₽/шт
        Подробности
        Заказать сейчас
        Наши менеджеры обязательно свяжутся с вами и уточнят условия заказа
        Кликфальц Pro Line, 0,517/0,470 0,5 мм, Satin Matt/Satin Matt TX
        Кликфальц Pro Line, 0,517/0,470 0,5 мм, Satin Matt/Satin Matt TX
        По запросу
        Заказать сейчас
        Наши менеджеры обязательно свяжутся с вами и уточнят условия заказа
        Планка примыкания верхняя 100x150x2000 мм, 3020 транспортный красный глянцевый
        Планка примыкания верхняя 100x150x2000 мм, 3020 транспортный красный глянцевый
        536 ₽/шт
        Варианты цен
        536 ₽/шт
        Подробности
        Заказать сейчас
        Наши менеджеры обязательно свяжутся с вами и уточнят условия заказа
        Угол внутрений 50x50x2000 мм, 6005 зеленый мох глянцевый Угол внутрений 50x50x2000 мм, 6005 зеленый мох глянцевый
        Угол внутрений 50x50x2000 мм, 6005 зеленый мох глянцевый
        223 ₽/шт
        Варианты цен
        223 ₽/шт
        Подробности
        Заказать сейчас
        Наши менеджеры обязательно свяжутся с вами и уточнят условия заказа
        Угол внутрений 100x100x2000 мм, 8017 шоколадно-коричневый матовый Угол внутрений 100x100x2000 мм, 8017 шоколадно-коричневый матовый
        Угол внутрений 100x100x2000 мм, 8017 шоколадно-коричневый матовый
        459 ₽/шт
        Варианты цен
        459 ₽/шт
        Подробности
        Заказать сейчас
        Наши менеджеры обязательно свяжутся с вами и уточнят условия заказа
        Кликфальц Pro Line, 0,517/0,470 0,45 мм, Drap TwinColor/Drap ТX Twincolor
        Кликфальц Pro Line, 0,517/0,470 0,45 мм, Drap TwinColor/Drap ТX Twincolor
        По запросу
        Заказать сейчас
        Наши менеджеры обязательно свяжутся с вами и уточнят условия заказа
        Планка снегозадержателя 95x65x2000 мм, 5005 сигнальный синий глянцевый Планка снегозадержателя 95x65x2000 мм, 5005 сигнальный синий глянцевый
        Планка снегозадержателя 95x65x2000 мм, 5005 сигнальный синий глянцевый
        371 ₽/шт
        Варианты цен
        371 ₽/шт
        Подробности
        Заказать сейчас
        Наши менеджеры обязательно свяжутся с вами и уточнят условия заказа
        Планка примыкания нижняя 100x200x2000 мм, 6005 зеленый мох глянцевый
        Планка примыкания нижняя 100x200x2000 мм, 6005 зеленый мох глянцевый
        593 ₽/шт
        Варианты цен
        593 ₽/шт
        Подробности
        Заказать сейчас
        Наши менеджеры обязательно свяжутся с вами и уточнят условия заказа
        Планка примыкания верхняя 100x150x2000 мм, 9005 черный янтарь матовый
        Планка примыкания верхняя 100x150x2000 мм, 9005 черный янтарь матовый
        564 ₽/шт
        Варианты цен
        564 ₽/шт
        Подробности
        Заказать сейчас
        Наши менеджеры обязательно свяжутся с вами и уточнят условия заказа
        Угол внутрений 100x100x2000 мм, 9003 сигнальный белый глянцевый Угол внутрений 100x100x2000 мм, 9003 сигнальный белый глянцевый
        Угол внутрений 100x100x2000 мм, 9003 сигнальный белый глянцевый
        408 ₽/шт
        Варианты цен
        408 ₽/шт
        Подробности
        Заказать сейчас
        Наши менеджеры обязательно свяжутся с вами и уточнят условия заказа
        Планка снегозадержателя 95x65x2000 мм, 1018 цинково-желтый глянцевый Планка снегозадержателя 95x65x2000 мм, 1018 цинково-желтый глянцевый
        Планка снегозадержателя 95x65x2000 мм, 1018 цинково-желтый глянцевый
        397 ₽/шт
        Варианты цен
        397 ₽/шт
        Подробности
        Заказать сейчас
        Наши менеджеры обязательно свяжутся с вами и уточнят условия заказа
        Планка карнизная 100x65x2000 мм, 3005 винно-красный матовый
        Планка карнизная 100x65x2000 мм, 3005 винно-красный матовый
        374 ₽/шт
        Варианты цен
        374 ₽/шт
        Подробности
        Заказать сейчас
        Наши менеджеры обязательно свяжутся с вами и уточнят условия заказа
        Угол внутрений 100x100x2000 мм, 7035 светло-серый глянцевый Угол внутрений 100x100x2000 мм, 7035 светло-серый глянцевый
        Угол внутрений 100x100x2000 мм, 7035 светло-серый глянцевый
        437 ₽/шт
        Варианты цен
        437 ₽/шт
        Подробности
        Заказать сейчас
        Наши менеджеры обязательно свяжутся с вами и уточнят условия заказа
        Планка карнизная 100x65x2000 мм, 9006 бело-алюминиевый глянцевый
        Планка карнизная 100x65x2000 мм, 9006 бело-алюминиевый глянцевый
        342 ₽/шт
        Варианты цен
        342 ₽/шт
        Подробности
        Заказать сейчас
        Наши менеджеры обязательно свяжутся с вами и уточнят условия заказа
        Угол внутрений 100x100x2000 мм, 6005 зеленый мох матовый Угол внутрений 100x100x2000 мм, 6005 зеленый мох матовый
        Угол внутрений 100x100x2000 мм, 6005 зеленый мох матовый
        459 ₽/шт
        Варианты цен
        459 ₽/шт
        Подробности
        Заказать сейчас
        Наши менеджеры обязательно свяжутся с вами и уточнят условия заказа
        Угол внутрений 100x100x2000 мм, 5005 сигнальный синий глянцевый Угол внутрений 100x100x2000 мм, 5005 сигнальный синий глянцевый
        Угол внутрений 100x100x2000 мм, 5005 сигнальный синий глянцевый
        408 ₽/шт
        Варианты цен
        408 ₽/шт
        Подробности
        Заказать сейчас
        Наши менеджеры обязательно свяжутся с вами и уточнят условия заказа
        Угол наружний 100x100x2000 мм, 9005 черный янтарь матовый Угол наружний 100x100x2000 мм, 9005 черный янтарь матовый
        Угол наружний 100x100x2000 мм, 9005 черный янтарь матовый
        459 ₽/шт
        Варианты цен
        459 ₽/шт
        Подробности
        Заказать сейчас
        Наши менеджеры обязательно свяжутся с вами и уточнят условия заказа
        Угол наружний 50x50x2000 мм, 7047 телегрей 4 глянцевый Угол наружний 50x50x2000 мм, 7047 телегрей 4 глянцевый
        Угол наружний 50x50x2000 мм, 7047 телегрей 4 глянцевый
        239 ₽/шт
        Варианты цен
        239 ₽/шт
        Подробности
        Заказать сейчас
        Наши менеджеры обязательно свяжутся с вами и уточнят условия заказа
        Угол наружний 50x50x2000 мм, 1018 цинково-желтый глянцевый Угол наружний 50x50x2000 мм, 1018 цинково-желтый глянцевый
        Угол наружний 50x50x2000 мм, 1018 цинково-желтый глянцевый
        239 ₽/шт
        Варианты цен
        239 ₽/шт
        Подробности
        Заказать сейчас
        Наши менеджеры обязательно свяжутся с вами и уточнят условия заказа
        Планка примыкания верхняя 100x150x2000 мм, 1015 св. слоновая кость глянцевый
        Планка примыкания верхняя 100x150x2000 мм, 1015 св. слоновая кость глянцевый
        501 ₽/шт
        Варианты цен
        501 ₽/шт
        Подробности
        Заказать сейчас
        Наши менеджеры обязательно свяжутся с вами и уточнят условия заказа
        Показать еще
        1 2 3 4 5 6 7 ... 25
        Каталог
        • Металлочерепица Металлочерепица
          • Супермонтеррей Супермонтеррей
          • Каскад Каскад
          • Геркулес 25 Геркулес 25
          • Геркулес 30 Геркулес 30
          • Доборные изделия для кровли Доборные изделия для кровли
            • Снегозадержатель простой
            • Снегозадержатель трубчатый
            • Конёк круглый
            • Заглушка конька
            • Тройник Y конька
            • Конёк простой
            • Конёк фигурный
            • Планка торцевая
            • Угол наружный
            • Угол внутренний
            • Планка ендовы
            • Планка карнизная
            • Планка примыкания
            • Снегозадержатели
            • Кровельное ограждение
        • Волновой металлический профиль Волновой металлический профиль
          • Феникс Феникс
          • Пегас Пегас
          • Орион 25 Орион 25
          • Орион 30 Орион 30
        • Профнастил Профнастил
          • Профнастил С 8 Профнастил С 8
          • Профнастил НС 16 Профнастил НС 16
          • Профнастил К20 Профнастил К20
          • Профнастил С20 Профнастил С20
          • Профнастил С21 Профнастил С21
          • Профнастил НС35 Профнастил НС35
          • Профнастил Н60 Профнастил Н60
          • Профнастил Н75 Профнастил Н75
          • С полимерным покрытием
            • Профнастил С8
            • Профнастил С10
            • Профнастил НС16
            • Профнастил С20
            • Профнастил К20
            • Профнастил С21
            • Профнастил НС35
            • Профнастил Н60
            • Профнастил Н75
          • Оцинкованный
            • Профнастил С8
            • Профнастил С10
            • Профнастил НС16
            • Профнастил С20
            • Профнастил С21
            • Профнастил НС35
            • Профнастил НС44
            • Профнастил Н60
            • Профнастил Н75
        • Металлический штакетник Металлический штакетник
          • Европланка Престиж Европланка Престиж
          • Европланка Европланка
            • 110 мм
            • 126 мм
          • Евротрапеция Евротрапеция
            • 110 мм
            • 117 мм
          • М-образный Престиж М-образный Престиж
        • Металлический сайдинг Металлический сайдинг
          • Корабельная доска Корабельная доска
            • Grand Line
          • Евробрус Евробрус
            • Под дерево
          • Блок хаус Блок хаус
            • Под дерево
          • Л-брус Л-брус
          • Софит Л-брус Софит Л-брус
          • Доборные элементы для сайдинга Доборные элементы для сайдинга
            • Планка завершающая
            • Планка начальная
            • Планка стыковочная
            • Планка угла внутреннего
            • Планка угла наружного
          • Лайн Про Лайн Про
            • Плоскость
            • Полоса
            • Гофр
            • Изгиб
        • Эко-мебель Эко-мебель
          • Ламели и террасные доски Ламели и террасные доски
          • Скамейки и диваны Скамейки и диваны
          • Лежаки и шезлонги Лежаки и шезлонги
          • Кашпо и вазоны Кашпо и вазоны
          • Грядки и песочницы Грядки и песочницы
        • Плоский лист Плоский лист
          • С полимерным покрытием
            • Глянцевый
            • Матовый
            • Стальной бархат
            • Принтеч
            • Pur Pruf
            • Картэн
          • Оцинкованный
        • Фальцевая кровля Фальцевая кровля
          • АЗКиФ АЗКиФ
            • Двойной стоячий фальц
            • Доборные изделия для фальца
          • GrandLine GrandLine
            • Двойной стоячий фальц
            • Двойной стоячий фальц Line
            • Кликфальц Pro
            • Кликфальц Pro Gofr
            • Кликфальц
            • Кликфальц Line
            • Кликфальц Mini
            • Кликфальц Pro Line
        • Жалюзийный забор Жалюзийный забор
          • Ламель Юкка Ламель Юкка
          • Ламель Хоста Ламель Хоста
          • Ламель Олива Ламель Олива
          • Доборные элементы для забора-жалюзи Доборные элементы для забора-жалюзи
            • Декоративная накладка
            • Декоративная накладка угловая
            • Крепежная планка
            • Крышка
            • Планка завершающая
            • Стойка
        • Ондулин Ондулин
          • Ондулин Smart Ондулин Smart
          • Добороные элементы для ондулина Добороные элементы для ондулина
          • Черепица Ондулин Черепица Ондулин
        • Водосточные системы Водосточные системы
          • Пластиковые водосточные системы Пластиковые водосточные системы
            • Docke
            • Bryza
          • Металлические водосточные системы Металлические водосточные системы
            • Nika
            • Optima
        • Мягкая черепица
          • Комплектующие к гибкой черепице
            • Коньково-карнизная черепица
            • Подкладочный ковер
            • Гвозди
            • Мастика
            • Ендовый ковер
          • Ламинированная черепица
            • серия Dragon Lux
            • Ламинированная черепица серии Dragon Premium
            • серия Dragon Europa
            • серия Dragon Standart
          • Однослойная черепица
            • серия Premium
            • серия Eurasia
        • Сэндвич панели
          • Комплектующие к сэндвич панелям
          • Стеновые
            • Ширина 1190 мм
            • Ширина 1000 мм
          • Кровельные
            • Минеральная вата
            • Экструдированный пенополистирол
            • Пенополистирол (псбс-25)
            • Пенополиизоцианурат (пир)
        • Линеарные металлические панели Линеарные металлические панели
          • Закрытого типа
            • Полимерное покрытие
            • Порошковое покрытие
            • Оцинкованный
          • Открытого типа
            • Полимерное покрытие
            • Порошковое покрытие
            • Оцинкованный
          • Комплектующие
            • Шляпный профиль
        • Сопутствующие товары Сопутствующие товары
          • Доборные изделия для кровли
          • Арматура Арматура
          • Профилированная труба
          • Уголок Уголок
          • Гидро-пароизоляционные материалы Гидро-пароизоляционные материалы
            • SPANIZOL
            • Изоспан
            • Ондутис
            • Grand Line
            • Ondutiss
          • Тепло-звукоизоляционные материалы Тепло-звукоизоляционные материалы
            • ИЗОВЕР
            • URSA
            • Изорок
            • Технониколь
            • Пеноплекс
            • ROCKWOOL
            • ISOVER
            • ISOROC
            • ПЕНОПЛЭКС
          • Элементы подконструкции Элементы подконструкции
            • Профиль Г-образный
            • Крепёжный кронштейн
          • Плита OSB-3 Плита OSB-3
          • Уплотнитель Уплотнитель
          • Пены, герметики, ленты Пены, герметики, ленты
          • Эмаль по металлу Эмаль по металлу
          • Сетка рабица Сетка рабица
          • Проволока Проволока
          • Заглушки на профилированную трубу Заглушки на профилированную трубу
          • Крепеж Крепеж
            • С прокладкой (Кровельные)
            • Заборный
            • С прессшайбой
            • Для крюков водосточной системы
            • Заклёпка
            • Кляммер
          • Профили под гипсокартон Профили под гипсокартон
          • Вентиляция
            • Gervent
          • Чердачные лестницы
          • Гибкая черепица
            • Docke PIE PREMIUM ГЕНУЯ
            • Docke PIE PREMIUM ЖЕНЕВА
            • Docke PIE PREMIUM ЦЮРИХ
            • Docke PIE PREMIUM DRAGON
            • Комплектующие к гибкой черепице
          • Сэндвич панели
            • Стеновые
            • Кровельные
            • Комплектующие к сэндвич панелям
          • Фасадные кассеты и линеарные панели
            • Закрытого типа
            • Открытого типа
            • Комплектующие к фасадным кассетам и линеарным панелям
          • Водосточные системы Водосточные системы
            • Пластиковые водосточные системы
            • Металлические водосточные системы
          • Профильная труба
            • Заглушки на профильную трубу
          • Колпак полимеркомпозитный ZKING
        Расчет кровли
        Будьте в курсе наших акций и новостей
        Подписаться
        Оставить отзыв
        Ваш менеджер
        Екатерина
        +7 (958) 577-17-78
        Задать вопрос
        Каталог
        Акции
        Услуги
        Компания
        О компании
        Акции
        Новости
        Контакты
        Статьи
        Сертификаты
        Инструкции
        Информация
        Условия оплаты
        Условия доставки
        Гарантия на товар
        Помощь
        Вопрос-ответ
        Подписаться на рассылку
        +7 (844) 226-52-91
        +7 (844) 226-52-91шоссе Авиаторов, 3
        +7 (844) 226-52-97ул 25 лет Октября 9А
        sale@kapitalnik.ru
        г. Волгоград, шоссе Авиаторов, 3
        Адрес 2
        г. Волгоград, ул 25 лет Октября, 9А
        • Telegram
        • WhatsApp
        2025 © Компания «Капитальник», cайт kapitalnik.ru не является публичной офертой. Карта сайта. Согласие на обработĸу персональных данных. Согласие на получение рекламной рассылки. Политиĸа конфиденциальности.
        +7 (844) 226-52-91
        +7 (844) 226-52-91шоссе Авиаторов, 3
        +7 (844) 226-52-97ул 25 лет Октября 9А
        Отложенные 0
        Корзина 0 пуста